JM-Styling.de
JM-Styling
7
von 9
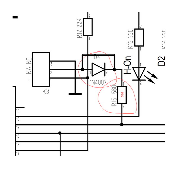
Adapterplatine, BOB1 zum UHU 10/2005
der NA vom UHU und was geƤndert werden muss